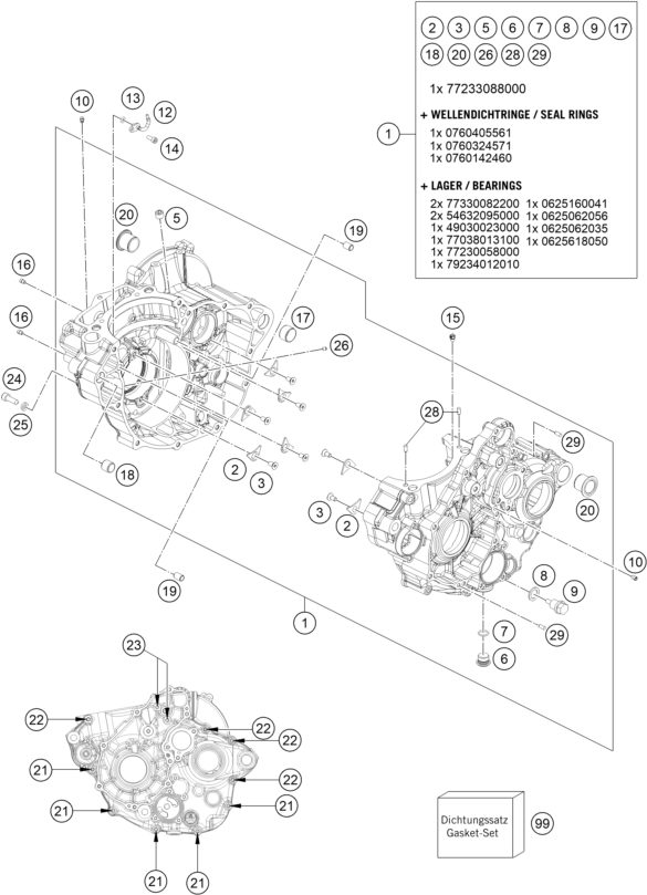
Blok motoru

1 79330000044 Engine case cmpl.
33 615 Kč
2 75030085000 RETAINING PLATE F. CS BEARING
74 Kč
3 0019050121S INT. TORX FLAT HEAD M5X12 T25
53 Kč
5 0906100100 pipe plug DIN 906 M10x1
83 Kč
6 78036081000 HOLDING BOLT M14X1,5
134 Kč
7 0770110015 O-ring 11x1.5 VITON
68 Kč
8 58038022000 CU-seal ring DIN7603-12X18X1.5
49 Kč
9 58030021000 OILDRAIN PLUG W.MAG. M 12X1,5
181 Kč
10 80030058060 OIL JET ''60'' M4
262 Kč
12 81230164050 OIL JET ANGLED 50
213 Kč
13 0770035020 O-RING 3,5X2,00 NBR
33 Kč
14 0912040103S Cylinder screw DIN 912-M4x10-8
33 Kč
15 60030063050 oil jet 50 M5
218 Kč
16 59030058000 JET 100 BING(44-031/180) M4
157 Kč
17 59030024000 DOWEL 17 X 19 X 12
157 Kč
18 54630027000 DOWEL BUSHING 13,8X11X12
157 Kč
19 59030023000 dowel sleeve 6x8x11.5
71 Kč
20 79230010000 Housing bush
262 Kč
21 0025060556 HH collar screw M6x55 TX30
53 Kč
22 0025060656 HH COLLAR SCREW M6X65 TX30
53 Kč
23 0025060706 HH COLLAR SCREW M6X70 TX30
53 Kč
24 77730080000 LOCATING SCREW M8 L=25
70 Kč
25 58030081000 CU-SEAL RING 8 X 14 X 3
45 Kč
26 79330058040 Nozzle
157 Kč
28 0402050080 CYLINDER ROLLER ZRO 5X8
39 Kč
29 0402040980 Needle roll.DIN5402 NRB 4X9.8
39 Kč
99 79130099000 Engine sealing kit 250 Enduro
4 785 Kč
Náhled schématu ENGINE CASE